Modellbahn-Steuerung GROUPIE-MEB-Tron

Funktionsbeschreibung serieller Empfänger für Lichtsignale

Platine Empfänger Lichtsignale

Diese schaltung kann bis zu viermal an die serielle Senderplatine angeschlossen werden. Sie hat die Aufgabe, aus den seriell, das heißt hintereinander, übermittelten Bits die Information für die acht Signale wieder einzeln herauszufiltern und eine stabilisierte Betriebsspannung für die Leuchtdioden bereitzustellen.

Zunächst wenden wir uns der Stromversorgung zu. Die von der Steuerung kommende Ader führt die im Rhythmus der Datenbits unterbrochene Spannung. Um sowohl die Information als auch den Betriebsstrom daraus gewinnen zu können, darf man sie nicht einfach an einen Elko anschließen. Die Diode D1 ist also nicht nur Verpolungsschutz und darf daher nicht weggelassen werden. Vor der Diode wird mit T1 und den Widerständen R1-3 das eigentliche Signal wieder gewonnen, erst nach D1 ist ein Elko angeschlossen. Diesem folgt dann ein Spannungsregler 7806 zur Stabilisierung der Betriebspannung der Schaltung. Die Kondensatoren C2 und C3 dämpfen die Neigung solcher Regler zu Schwingungen.

Stromversorgung

Im nächsten Bild ist der digitale Schaltungsteil zu sehen. In IC2 sind zwei Monoflops enthalten. Beide Teilschaltungen in dem Schaltkreis werden zu Beginn eines jeden Bits gestartet. Teil b erzeugt den Vergleichsimpuls, das heißt ein Signal, dass zur Ermittlung dient, ob „0“ oder „1“ übertragen wurde. Teil a liefert ein Signal, das länger dauert als die Zeitspanne bis zum nächsten Bit. Diese Teil­schaltung ist so verschaltet, dass sie „nachgetriggert“ werden kann. Das bedeutet dass die Impulszeit immer vom letzten Trigger-Ereignis ausgehend abläuft. Wenn also die acht Datenbits übertragen werden ist er ständig aktiv. Erst in der Übertragungspause wird er inaktiv, das heißt sein Ausgang „/Q“ geht auf „High“.

digitaler Schaltungsteil

IC3 enthält nun das trickreichste Element der Schaltung: das Schieberegister. Das benötigte 8 Bit große Register wird hier aus zwei 4-Bit Stufen gebildet. Den Takt, also den Impuls zum Schieben, liefert der Vergleichsimpuls aus IC2b für beide Stufen. An den „D“-Eingang der ersten Stufe in Teil b wird das von T1 invertierte Eingangssignal angelegt. Wurde der Zustand „Signal Rot“ übertragen, also eine lange Pause, ist das Eingangssignal noch „High“ nach Ende des Vergleichsimpuls. Dann wird das Schieberegister mit einer logischen „Eins“ gefüttert. Umgekehrt, bei „Grün“, ist das gesendete Bit kürzer als der Referenzimpuls. Folglich wird dann eine „Null“ durchgeschoben.

Nach vier Takten ist das zuerst übertragene Bit am Ausgang Q4 der ersten Stufe angekommen und wird dann dem Eingang der zweiten Stufe zugeführt. Nach acht Takten liegen dann die einzelnen Bits an den acht Ausgängen der beiden Schieberegister-Hälften an.

Wie schon bei der Sender-Platine erwähnt, dürfen während des Schiebens die Ausgangssignale nicht ausgewertet werden. In IC4 und 5 sind jeweils 4 elektronische Schalter enthalten. Sie werden erst eingeschaltet wenn die Impulszeit von IC2a nach dem achten Bit abgelaufen ist. Im „Ein“-Zustand der Schalter werden also die Kondensatoren C6 bis 13 über Widerstände geladen beziehungsweise entladen, je nach dem logischen Pegel des Schieberegister-Ausgangs. Der Ladungszustand der Kondensatoren ist also die Entsprechung des logischen Zustands: 0Volt bedeutet „Grün“ und umgekehrt. Anders als sonst bei digitalen Schaltungen ist hier erwünscht, dass sich der Zustand langsam ändert, im Großbetrieb schalten die Lichtsignale auch nicht in schlagartig um.

Im letzten Schaltungsteil wird nun die Änderung des Spannungspegels in eine proportionale Änderung der Helligkeit der Lämpchen umgesetzt. Da es Signale mit Leuchtdioden und solche mit Glühlämpchen gibt, ist eine Veränderung des Stroms kein Mittel das bei allen Typen mit gleich gutem Ergebnis angewandt werden könnte. Unterschiedliche Charakteristika der Leuchtmittel würden verschiedene Einstellungen bedingen und den Aufwand an Bauteilen vergrößern und einen Abgleich erfordern. Hier wird das menschliche Auge überlistet in dem der Strom in schneller Folge ein- und ausgeschaltet wird. Je nach dem Verhältnis zwischen Ein- und Ausschaltzeit erscheinen dann die Lämpchen oder LED’s heller oder dunkler.

Impulsdiaframm

Zwei Oszillatoren in IC6 erzeugen zwei Dreieck-förmige Schwingungen mit gleicher Amplitude, sie schwingen aber um unterschiedliche Mittelwerte. Die Spannung an den Kondensatoren C6 – 13 wird nun für die roten Lampen mit dem oberen Signal verglichen. Ist sie größer als der augenblickliche Wert des Oszillator-Signals wird das zugeordnete Lämpchen eingeschaltet, ist sie kleiner wird es ausgeschaltet. Ähnlich ergeht es den grünen Exemplaren, sie werden eingeschaltet wenn die Spannung kleiner als der Momentanwert der unteren Schwingung ist. Ist ein Kondensator beispielsweise auf den Wert Uc1 geladen so ist die grüne Lampe ständig eingeschaltet, die rote ausgeschaltet. Beim Spannungspegel Uc2 sind beide Leuchten ausgeschaltet. Im Fall Uc3 wird „Rot“ nur 50% der Zeit eingeschaltet, leuchtet also mit halber Kraft. Wenn der Spannungspegel weiter ansteigt vergrößert sich die Einschaltzeit und die Helligkeit wird höher.

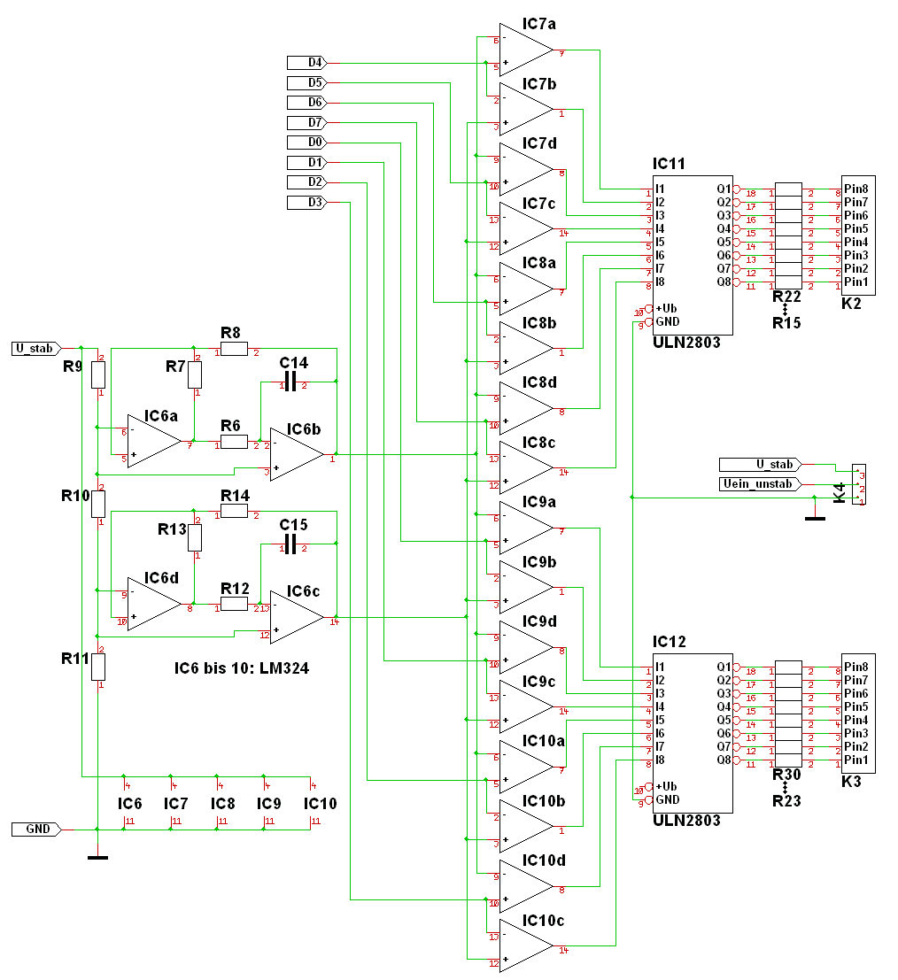
Lampenansteuerung

Diese Vergleichs- und Schaltaufgaben werden von den Operations­verstärkern in IC7 bis 10 ausgeführt. Ihr Ausgangsstrom würde zwar für Leuchtdioden reichen, nicht jedoch für normale Glühlampen. Daher ist ihnen noch ein Transistor als Verstärker nachgeschaltet. Um Bauteile und damit auch Platz zu sparen wurde hier, ähnlich wie bei den Weichenkarten, ein Integrierter Schaltkreis verwendet. Das IC ULN 2803A vereint 8 Schalttransistoren in einem Gehäuse. Sie wirken wie Schalter die den Ausgang mit Masse, also 0Volt, verbinden. Der gemeinsame Anschluss der roten und grünen LED’s eines Signals ( der "Plus-Pol", die Anode) muss also mit der stabilisierten Spannung „U_stab“ verbunden werden.

Die Platine ist so gestaltet, dass sie die bei LED’s notwendigen Vorwiderstände (R15 – 30) ebenfalls aufnimmt. Der Wert der Vorwiderstände richtet sich nach dem gewünschten Strom, er berechnet sich wie folgt

  R(Ohm) = (Betriebsspannung 6Volt – 2Volt) / Strom (Ampere).

Die 2Volt stehen als Mittelwert der Flussspannung roter und grüner LED’s. Für 10mA LED-Strom ergeben sich also 4Volt / 0,01A = 400Ohm. Dann sucht man den nächstliegenden, erhältlichen Wert aus. Die Belastbarkeit der Widerstände spielt dabei kaum ein Rolle, auch bei 20mA fällt weniger als 0,1Watt an.

Bei Verwendung von Signalen mit Glühlämpchen müssen die Vorwider­stände der LED’s natürlich durch Drahtbrücken ersetzt werden. Weiterhin ergibt sich das Problem, dass 6 Volt meist zu gering sind als Betriebs­spannung. Die unstabilisierte Spannung von etwa 12 Volt würde zwar meist ausreichen, die Unterbrechungen zur Datenübertragung wären aber als Flackern erkennbar. Abhilfe schafft dann eine externe Spannungs­quelle deren Minus-Pol mit „GND“, also der Masse der Signalplatine, verbunden wird. Dadurch wird der höhere Strom von dieser Stromquelle geliefert und belastet nicht die Stromversorgung der Steuerung.

nach oben Zum Anfang der Seite

zurück Zurück