Modellbahn-Steuerung GROUPIE-MEB-Tron

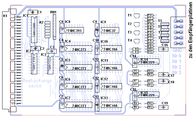
Bestückungsplan zum seriellen Sender für Signale und Weichen

Bestückungsplan zum seriellen Sender für Signale und Weichen

Das Bild zeigt eine Platine in der Version 18.01.2009. Sie unterscheidet sich sehr geringfügig im Leiterbahn-Bild von der älteren Version. Die Lage der Bauteile ist jedoch gleich geblieben, daher gilt dieser Bestückungsplan auch für frühere Versionen.

Die Qualität der Darstellung des Bildes hängt von vielen Faktoren ab: der Größe Ihres Browser-Fensters, der möglichen Auflösung Ihres PC-Bildschirms und natürlich von der Größe des Bildes. Die Bilder und Pläne können aus dem Browser heraus abgespeichert werden und z. B. mit der Windows "Bild- und Fax-Anzeige" gedruckt werden. Dann wird in der Regel die beste Qualität erreicht. In der Target-Software, mit der die Platinen entwickelt wurden, können Sie beliebige Ansichten einstellen und drucken. Allerdings müssen sie sich dann mit der Bedienung der Software vertraut machen. Bitte beachten Sie hierzu die "Download"-Seite.

nach oben Zum Anfang der Seite

zur Hauptseite Zur Hauptseite serieller Sender